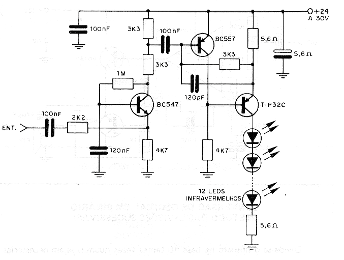
Este circuito consiste en un modulador para transmisión de datos u otro tipo de información hasta 200 kHz, usando hasta 12 LEDs infrarrojos conectados en serie. El circuito debe ser alimentado por tensiones entre 24 V y 30 V y el transistor de potencia necesita ser montado en un buen radiador de calor. Observamos que existen soluciones más modernas que operan con tensiones más bajas para este tipo de circuito, incluso algunas más rápidas.




