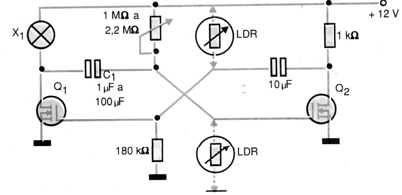
El disparo del monoestable usando FET se puede hacer con sensores, como es el caso del circuito mostrado en la figura. Un pulso de luz aplicado al sensor (conectado en cualquiera de las dos posiciones indicadas en la figura) conmuta el circuito, haciendo que la lámpara se encienda. La temporización depende de C1 y también del ajuste del trimpot como en el circuito anterior.




