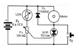
Un flash de luz dirigido al LDR hace que el SCR dispare y el motor sea accionado en el circuito de la figura. Para apagar, lo que puede ser hecho por un interruptor de presión, llave de fin de carrera, reed-switch u otro tipo de sensor se debe activar S2. La sensibilidad del circuito se ajusta en P1. Para obtener mayor directividad y sensibilidad del LDR evitando el accionamiento por la luz ambiental, debe ser instalado en un pequeño tubo opaco con una lente convergente delante de usted. Si hay tendencia al apagado errático por la conmutación del motor, un capacitor de 100 a 1 000 uF debe ser conectado en paralelo con el motor. El SCR sólo necesitará un pequeño radiador de calor si el motor requiere corrientes de más de 500 mA. Este circuito puede controlar corrientes de hasta 2 ampères. Se debe recordar la caída de tensión de 2 volts producida en el SCR en conducción.




