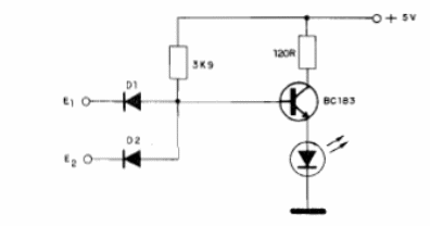
Como shield puede utilizar este circuito para advertir a través de un LED cuando cualquier entrada esta a bajo nivel, los LEDs apagan. El transistor admite equivalente como el BC548 y el circuito es alimentado por una tensión de 5 V LED puede ser de cualquier color.

Puerta Para LEDs



