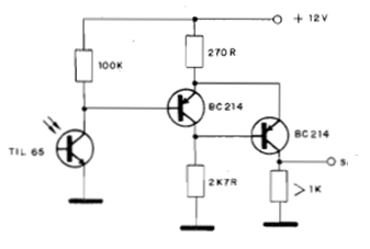
Este circuito produce un pulso de conmutación rápida al incidir la luz en el sensor. El circuito es sugerido por Texas Instruments en su Manual de Optoelectrónica. La resistencia de salida se puede cambiar en función del rendimiento deseado para el circuito. Se pueden utilizar transistores equivalentes como el BC558. El foto-transistor también admite el equivalente. El resistor de 1 k en el emisor del transistor debe ser modificado para obtener pulsos en la amplitud de 3,3 o 5 V para el Arduino, según sea el caso.




