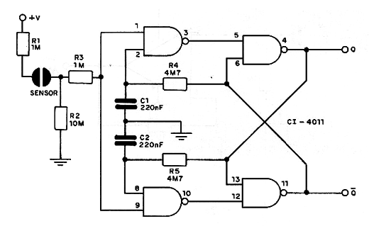
Las salidas de este circuito conmutan a cada toque en el sensor. La sensibilidad depende de R2, cuyo valor puede cambiar según la necesidad. El sensor consiste en dos placas de metal que deben ser tocados al mismo tiempo. Las salidas Q y Q / son complementarios, es decir, cuando uno está a nivel alto a otro estará en nivel bajo. La alimentación se hace con el positivo y negativo en el pin 14 pin 7 del circuito integrado, las tensiones entre 3 y 12 V.




