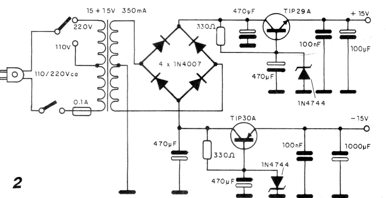
Originalmente este circuito de 1992 fue creado para alimentar el proyecto CIR2690S, pero puede ser usado en la bancada para alimentar circuitos que exijan hasta 350 mA o 500 mA si se utiliza un transformador para esta corriente. Los transistores deben estar dotados de disipadores de calor y los diodos zener pueden ser de tensiones entre 6 y 15 V.




