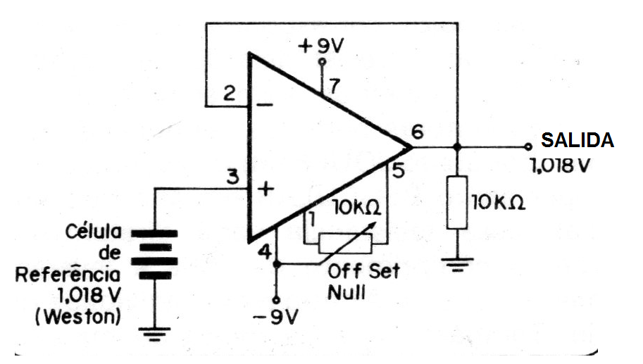
Este circuito utiliza una batería de referencia usada en laboratorios para proporcionar una tensión precisa para el ajuste de instrumentos. El circuito es de una documentación antigua y necesita una fuente simétrica de 6 a 12 V. Otros operacionales pueden ser utilizados.




