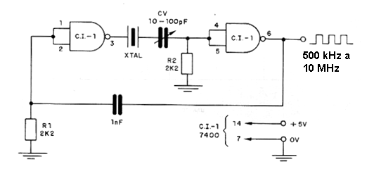
Este circuito puede generar sigñals de 500 kHz a 10 MHz, según el cristal utilizado, siendo ideal para funcionamiento como clock en circuitos TTL y mismo de clock externo de microcontroladores. El ajuste del trimmer sirve para facilitar el comienzo de las oscilaciones cuando el circuito es encendido. La alimentación debe hacerse con 5 V aplicada entre los pines 7 y 14. Las otras dos puertas del 7400 pueden ser utilizadas en otras funciones.




