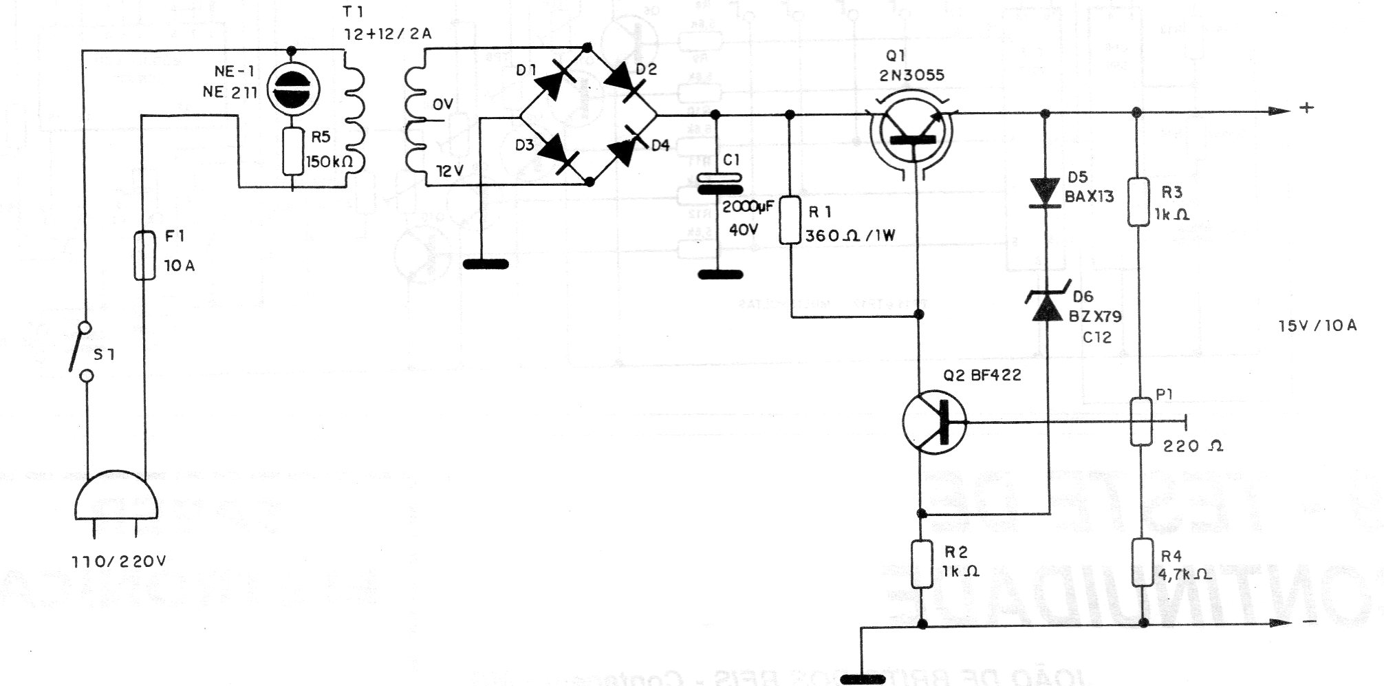
Esta fuente tiene la configuración tradicional de transistor regulador en serie. El 2N3055 usado en el circuito debe estar dotado de un buen disipador de calor. El circuito es bastante simple, pero eficiente que se ha encontrado en una documentación de 1995. Los diodos pueden ser 1N5402 o equivalentes.




