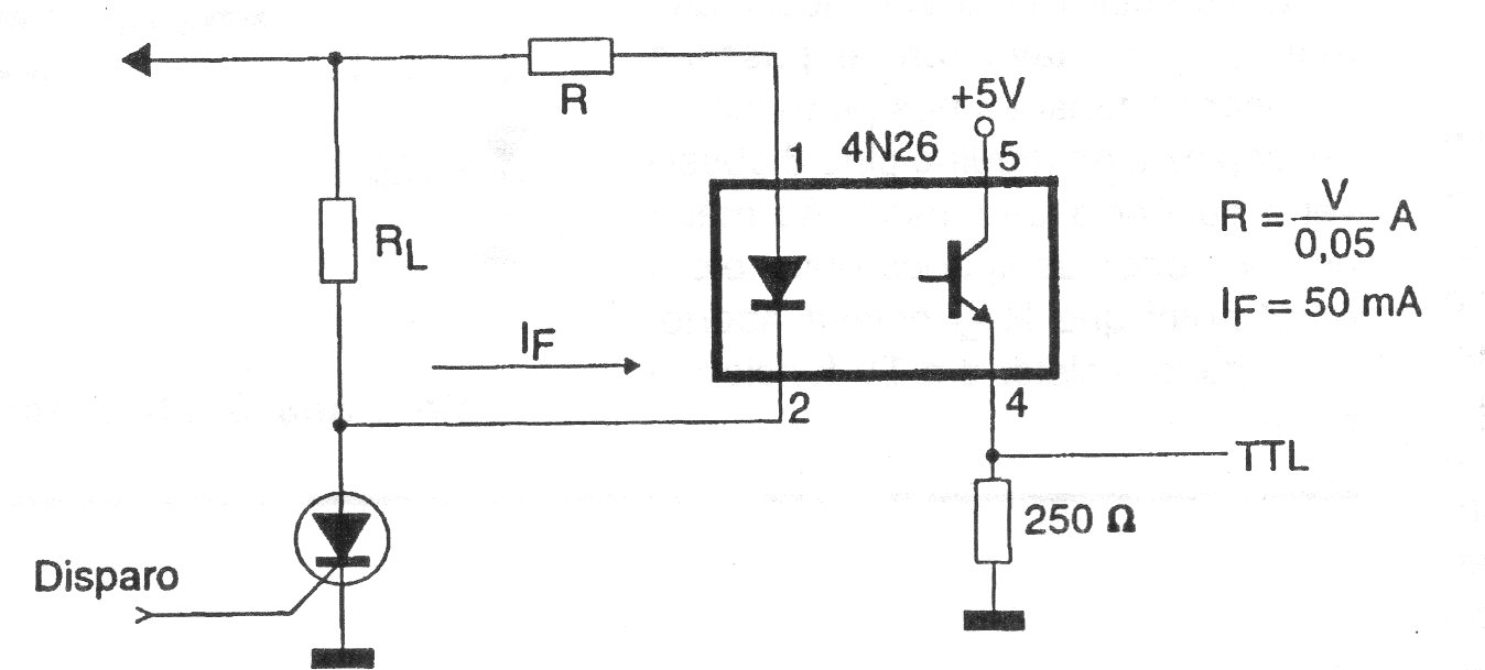
Este circuito tiene por objeto disparar una puerta o flip-flip TTL a partir de una señal proveniente de un SCR. El resistor R se calcula de acuerdo con el acoplador y RL es la corriente de carga del SCR. Para un LED común de un acoplador la corriente está alrededor de 50 mA. El circuito puede funcionar con shield para microcontroladores.




