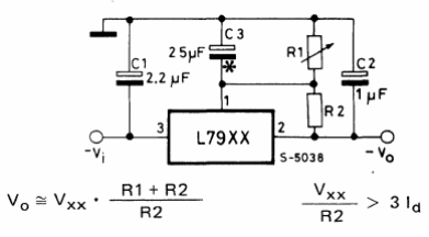
El L79xx consiste en la versión del 79xx de SGS. El circuito fue obtenido en el manual de circuitos integrados lineales de la SGS de 1982. La corriente máxima es de 1 A y las fórmulas junto al diagrama posibilitan el cálculo de los resistores conforme la tensión deseada.




