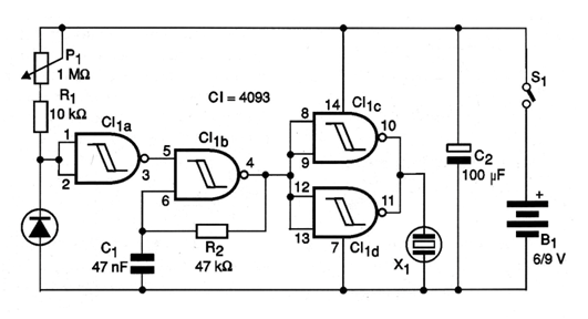
El circuito mostrado en la figura se puede utilizar para detectar el funcionamiento de fuentes infrarrojas cuyo espectro de emisión esté dentro de la sensibilidad del sensor utilizado. El sensor puede ser un fotodiodo común o un foto-transistor que pueden detectar radiación infrarroja de LEDs y otros emisores. Cuando la señal se recibe con suficiente intensidad para conmutar el puerto CI-1a su salida va al nivel alto poniendo en acción el oscilador formado por el puerto CI-1b. La frecuencia de la señal reproducida depende de C1 y R3 (que pueden cambiar). La señal aplicada a las otras dos puertas, que funcionan como amplificadores digitales, es reproducida por un transductor piezoeléctrico.




