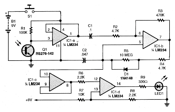
Este circuito consiste en un detector de radiación infrarroja, pudiendo detectar pulsos que mantiene el LED encendido por dos segundos. El circuito, sugerido por una documentación de 2001, sirve para indicar el funcionamiento de enlaces de audio y datos, controles remotos además de alarmas de paso del tipo pulsante. El circuito es alimentado por una batería de 9 V, operando cuando S1 se mantiene presionada.




