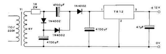
Este circuito contiene un doblador de tensión formado por dos diodos y dos capacitores, permitiendo así la obtención de 12 V a partir de un transformador de 6 V. La corriente, evidentemente será reducida. Así, para un transformador de 300 mA, la corriente máxima obtenida será menor que 150 mA, pues debe considerarse el rendimiento del circuito. Para corrientes superiores a 100 mA, el circuito integrado debe montarse en un radiador de calor.




