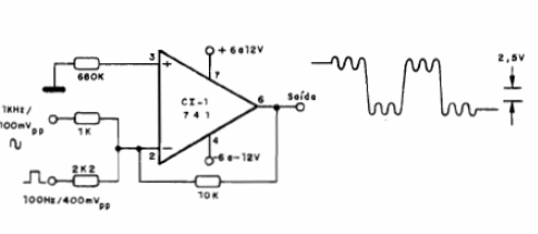
Este circuito combina dos señales, siendo un rectangular de 100 Hz y otro sinusoidal de 1kHz. Podemos usarlo para que coincida con la señal rectangular de un Arduino u otro microcontrolador con una señal externa, o incluso otra señal digital de la otra salida del microcontrolador. La alimentación debe ser simétrica y equivalentes a los amplificadores operacionales se pueden emplear. En la entrada se pueden agregar otras entradas, teniendo en cuenta la amplitud y su acción por los valores de las resistencias en serie. Recuerde que el circuito no funciona con las muestras además a unos 100 kHz. Basado en la teoría de Fourier podemos agregar más entradas para generar señales de formas de onda complejas a partir de un de un microcontrolador.




