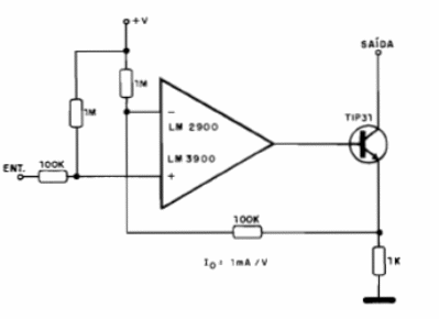
Este circuito se basa en un amplificador operacional de transconductancia, fijando la corriente drenada por la salida a partir del control por una tensión de entrada, como muestra la fórmula junto al diagrama. El valor del resistor de 1k se puede cambiar a corrientes más intensas, en cuyo caso el transistor debe estar dotado de un disipador de calor. El circuito es sugerido por Texas Instruments y el amplificador operacional debe ser alimentado por una fuente simétrica. Vea en buscar datasheet más información sobre las características y pinagem del circuito integrado usado.




