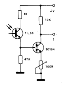
El ajuste de la sensibilidad de este circuito, en función del nivel de conmutación deseado, puede ajustarse en el trimpot de 100 ohmios. El transistor puede ser el BC548 u otros equivalentes más modernos. La tensión de alimentación puede oscilar entre 5 y 12 V típicamente. El foto-transistor también puede ser reemplazado por equivalentes.




