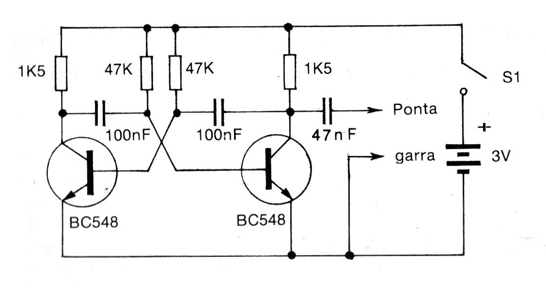
Este útil inyector de señales es alimentado por sólo 2 pilas y tiene un consumo muy bajo. La frecuencia es dada por los capacitores que pueden ser alterados.
Esto proyecto es un cargador que puede cargar 2, 4 o 6 baterías de NiCad con limitación de...
Este oscilador Hartley experimental produce señales en el rango de 500 kHz a 1,5 MHz, sirviendo para...
El circuito de la figura representa una aplicación típica de un fototransistor que excita un relé...