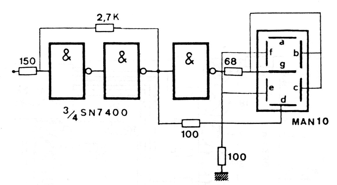
Este circuito, encontrado en una documentación de los años 90, utiliza un display común de LEDs de 7 segmentos. La alimentación debe ser de 5 V y el circuito se presta al análisis de lógica TTL sólo. El circuito sirve como indicador de nivel de salida para un microcontrolador.




