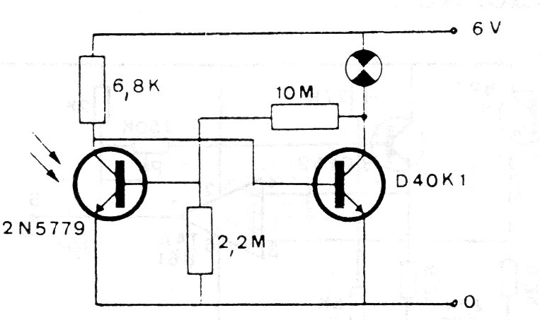
Cuando la iluminación disminuye, este multivibrador entra en funcionamiento, haciendo que la lámpara parpadee a velocidad que depende de los resistores. Los transistores admiten equivalentes y la lámpara indicada es de 6 o 12 V x 50 mA, según la alimentación del circuito.




