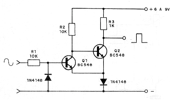
Este circuito convierte señales sinusoidales en rectangulares de la misma frecuencia. La intensidad de la señal depende de la tensión de alimentación y puede utilizarse en un conformador de onda de entrada de sensor para un microcontrolador. La frecuencia máxima de funcionamiento de este circuito está alrededor de unos pocos megahertz. Finalmente las resistencias deben modificarse para alcanzar el mejor funcionamiento punto dependiendo de la intensidad de la señal de entrada y la señal de salida deseada.




