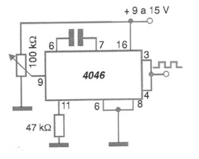
En la figura mostramos cómo agregar un potenciómetro de 100 k ohmios para implementar un oscilador controlado por ese componente. El rango de frecuencias generadas puede ser obtenido por el gráfico de la figura del CIR7974. La señal generada por este circuito es rectangular con amplitud igual a la tensión usada en su alimentación.




