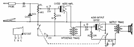
Este circuito fue encontrado en el manual de aplicaciones del CK722 de Raytheon que lanzó el primer transistor comercial del mundo. El circuito es de un seguidor de señales y los transformadores pueden ser obtenidos en radios transistorizados de la época.




