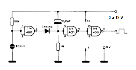
Un sensor de contacto, formado por dos placas separadas de metal que se debe tocar al mismo tiempo, produce un pulso de salida cuya duración depende del condensador de 2.2 µF. El circuito trabaja con tensiones de 3 a 12 V y nunca debe ser alimentado por fuente sin transformador. Con él que tenemos que garantizar el microcontrolador entrada se aplica independientemente del tiempo de un solo toque en el sensor.




