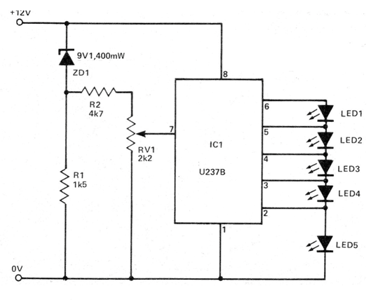
Este circuito monitorea el estado de una batería de 12 V que se puede utilizar directamente con una, o aún en un circuito de carga. El circuito es de una documentación antigua de 1982 y RV1 debe ser ajustado para que el LED3, que indica el estado normal se encienda.




