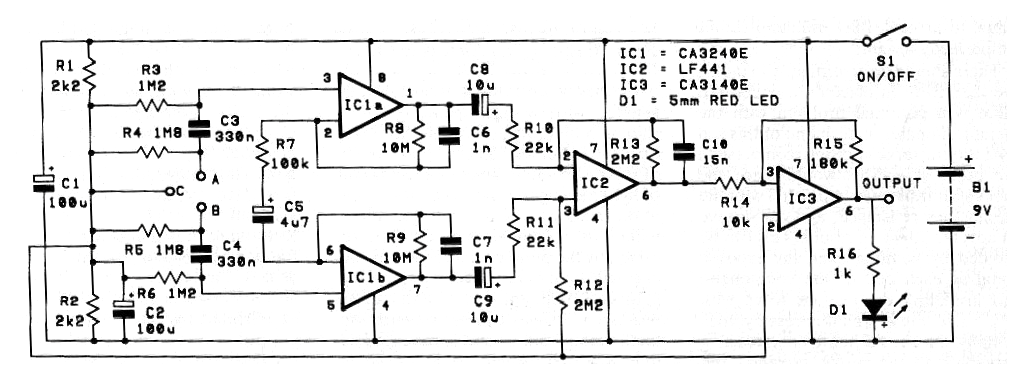
Este circuito detecta y monitorea el ritmo cardíaco a través de electrodos de contacto. Se deben utilizar electrodos del tipo que se encuentran en los cardiógrafos profesionales. El posicionamiento debe ser hecho con conocimiento para que las señales puedan excitar el circuito convenientemente. Los electrodos se conectan a los puntos A, B y C. La alimentación del circuito debe realizarse por batería de 9 V. Nunca utilice una fuente de alimentación común, tanto por el ruido y el peligro de choque.




