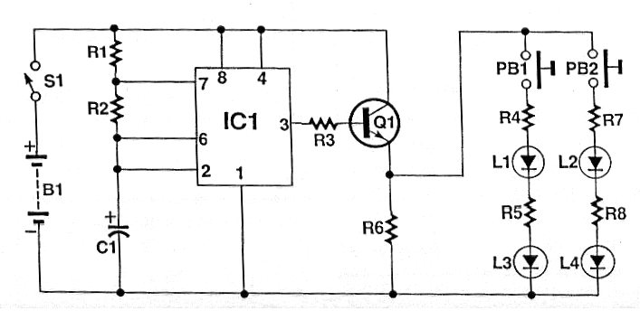
Este circuito fue encontrado en el Electronics Handbook, Vol XIII de 1993 y consiste en un simple indicador de dirección o flecha, para bicicletas. El circuito se activa cuando se presiona PB1 o PB2 estando S1 cerrada. Los LEDs son comunes y el circuito se alimenta con 4 pilas pequeñas. Los componentes se enumeran en la lista siguiente:
Q1 - BC548 o 2N2222 - transistores
R1, R2 - 100 k ohmios x 1/8 W
R3 - 1 k ohmios
R4, R5, R7, R8 - 100 ohms x 1 W
R6 - 10 k ohmios
C1- 10 uF x 12 V- electrolítico
L1, L2, L3, L4 - LED rojo de alto brillo
PB1, PB2- Llaves de presión NA
S1- Interruptor simple
IC1- 555 - circuito integrado




