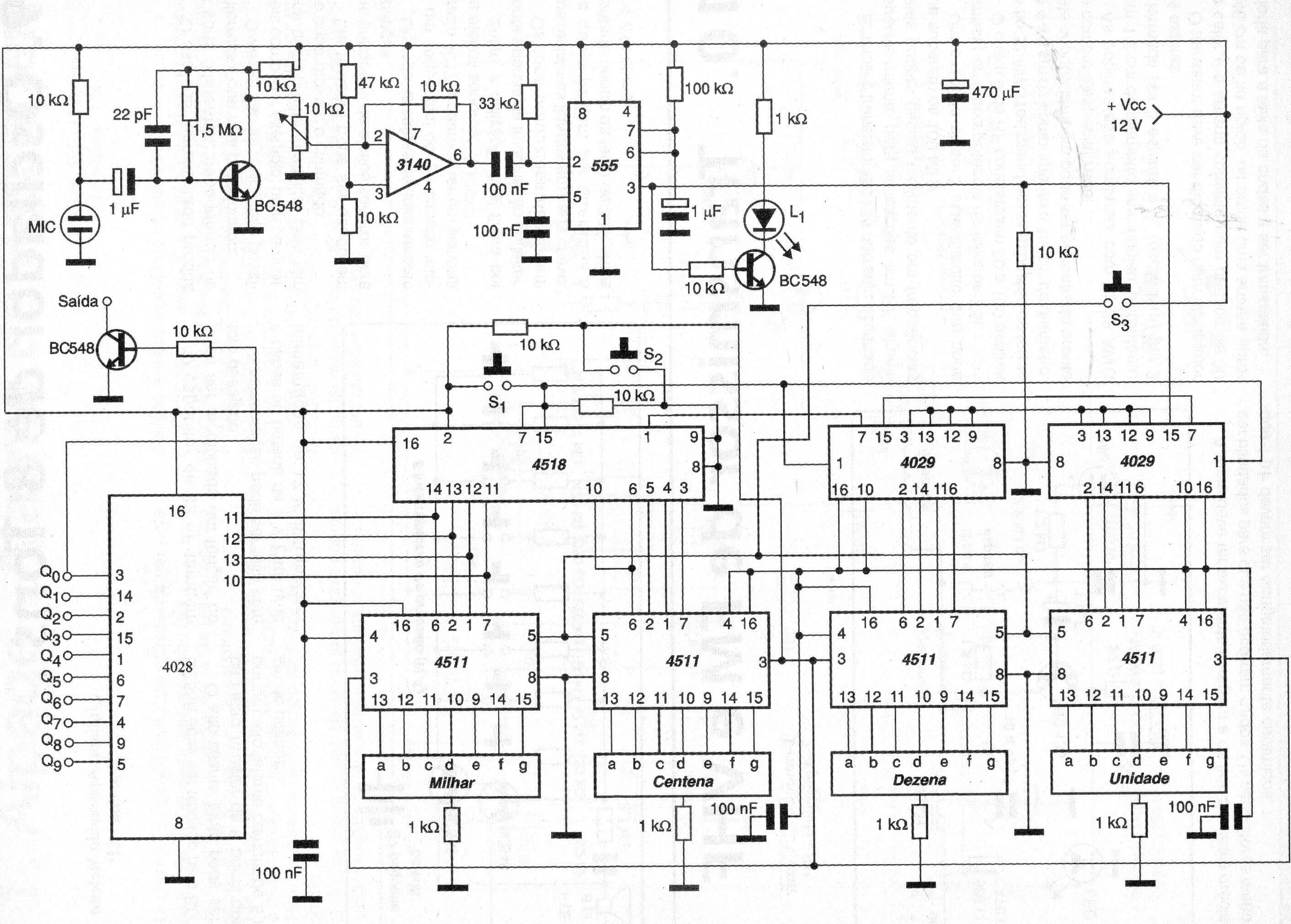
Este circuito de 2003 sirve para mostrar digitalmente la intensidad de un sonido captado por un micrófono. Funcionamiento: el micrófono de electreto recibe la señal sonora muestreada y lo transforma en una señal eléctrica correspondiente que es amplificada por el transistor BC548. Una vez amplificado la señal pasa al amplificador operacional CA3140 que tiene su salida conectada a un monoestable con el CI 555. Este CI produce impulsos proporcionales a la intensidad de la señal enviándolos al CI 4515. Cada uno de los CIs produce una secuencia binaria para los decodificadores formados por los CIs 4511. Estos CIs alimentan los displays de cátodo común. El CI4518 contiene un doble contador y su segundo contador está conectado al CI 4028 que excita LEDs conectados en sus salidas, accionando así cargas de mayor corriente a través de transistores. Después de cada cuenta tenemos el accionamiento de la salida lo que permite visualizar la secuencia de ese conteo. S1 reseta el conteo, cerrando los displays. S2 prueba todos los segmentos de los displays. S3 bloquea la cuenta. L1 indica la señal de reloj, cuanto más rápida sea la oscilación de la señal de entrada, más rápidas serán los parpadeos del LED.




