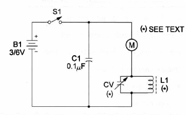
Este circuito genera una buena cantidad de ruidos que cubren un rango de RF que llega a algunas decenas de megahertz. El circuito puede ser utilizado en pruebas de equipos de comunicación. L1 y CV se dimensionan de acuerdo con la pista que se desea concentrar los ruidos. Para una centralización en ondas medias utilice una variable de radio AM y L1 con 80 vueltas de alambre esmaltado 28 en un bastón de ferrita. M es un motor DC común de 3 o 6 V. El circuito es del libro Fun Projects for the Experimenter de Newton C. Braga.




