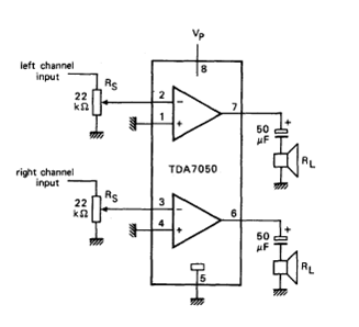
La potencia de este pequeño amplificador alcanza 75 mW por canal dependiendo de la tensión y la impedancia de la carga como la siguiente tabla. Encontramos el circuito manual Philips en 1990. La ventaja de este circuito es alimentarlo con 3.3 V o 5 V de Arduino o de otros microcontroladores.


Amplificador Estéreo De Baja Potencia con el TDA7050



