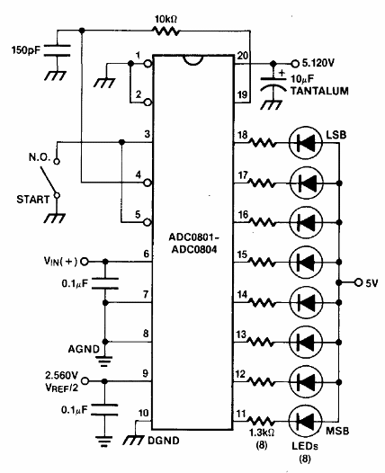
Este circuito es del Intersil Databook de 1983. El ADC0801 y 0804 son convertidores AD de bajo costo. No son muy comunes en el mercado actualmente.

Este circuito es del Intersil Databook de 1983. El ADC0801 y 0804 son convertidores AD de bajo costo. No son muy comunes en el mercado actualmente.
