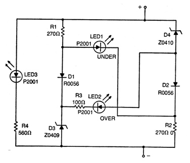
Este circuito es de una antigua documentación técnica, sirviendo para monitorear la tensión de una batería de 12 V. El circuito utiliza zeners de 6,8 V (D3) y de 7,5 V (D4). Los demás diodos son comunes y los LED de colores diferentes. El circuito indica cargada una batería de más de 3,6 V. El circuito se puede modificar para controlar otras bandas de tensión.




