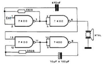
Este circuito produce el sonido de un grillo, jugado una pequeña cápsula piezoeléctrica cuando el pin1 de entrada es levado a lo nivel alto nivel por una señal de V 5 proveniente de un microcontrolador. La frecuencia está dada por los capacitores que eventualmente deben cambiarse para lograr más realismo. El circuito debe ser alimentado con 5 V aplicado a los pines 7 (negativo) y 14 (positivo).




