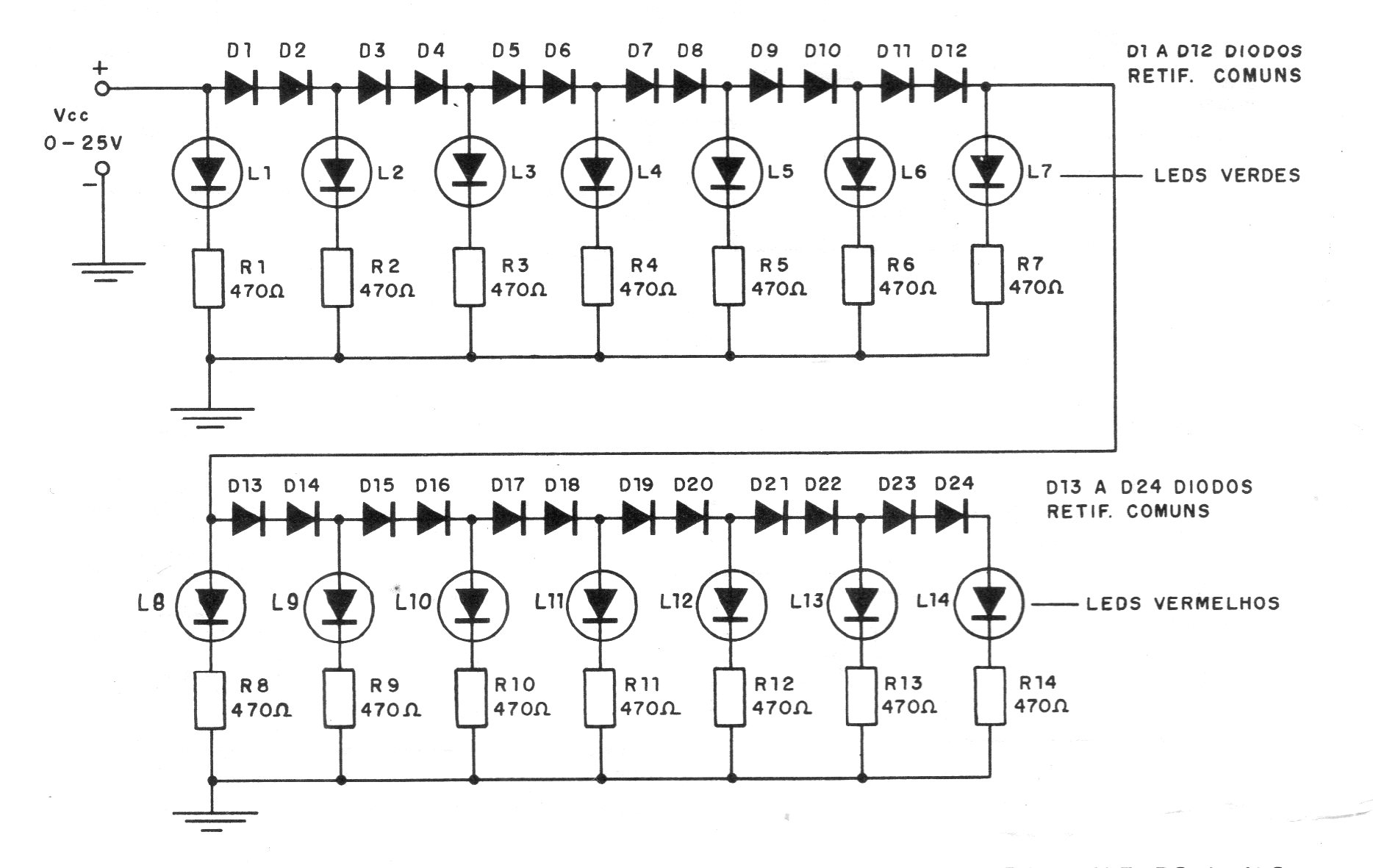
Este simple, sin componentes activos, fue encontrado en una documentación de 1985. El número de LED depende del rango de tensiones que se desea monitorear. Para el número indicado, el rango va de 0 a 25 V.
Encontramos este circuito en una documentación americana de 1972. El circuito puede ser elaborado...
Encontramos este circuito en una documentación americana de los años 80, siendo indicado para la...
Este circuito tiene una sensibilidad de 2 uW. Lo encontramos en una documentación de la década de 1980....