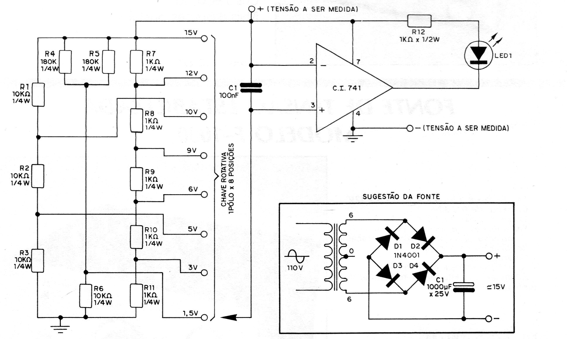
Este circuito para las bandas de 1,5 a 15 V escalonadas fue encontrado en una documentación de 1982, pero utiliza componentes actuales, siendo dada también la fuente de alimentación. Con cambios, puede ser utilizado como escudo de entrada o incluso de monitoreo para accionadores. En la publicación original hay una conexión entre la entrada y alimentación del CI. No existe. El CI debe ser alimentado con 15 V de la fuente indicada.




