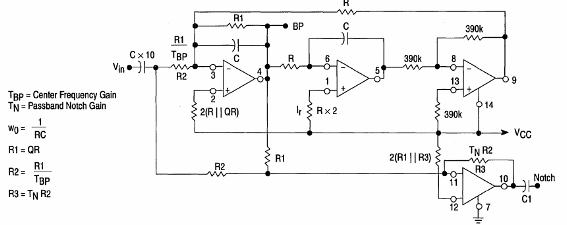
Otros amplificadores de la serie como el MC3301, MC3401 y LM2900 se pueden utilizar en este circuito. Encontramos esta configuración en el Linear Interface IC de Motorola. La fuente de alimentación no necesita ser simétrica y las fórmulas junto al diagrama posibilitan el cálculo de los componentes según el desempeño deseado.




