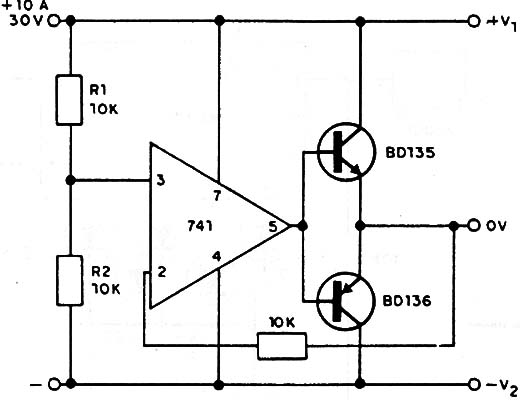
Si R1 = R2 la tensión de entrada queda dividida por 2 y se tiene una fuente perfectamente simétrica. Para divisiones en partes diferentes basta hacer Ia relación R1/R2 según la división deseada. La corriente depende de la capacidad de los transistores de salida.

Divisor de Tensión



