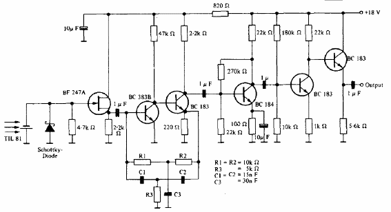
Este circuito selecciona una señal en una frecuencia determinada por el doble T. Los transistores NPN pueden ser los BC548 y el FET el BF245. El circuito es del manual de optoelectrónica de Texas Instruments.

Este circuito selecciona una señal en una frecuencia determinada por el doble T. Los transistores NPN pueden ser los BC548 y el FET el BF245. El circuito es del manual de optoelectrónica de Texas Instruments.
