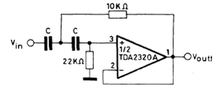
Este circuito corta las frecuencias por debajo de los valores de la tabla, que dependen del capacitor C, eliminando así las oscilaciones de baja frecuencia que ocurren por los cambios de velocidad del motor de un tocadiscos. El circuito es del manual de circuitos integrados lineales de la SGS. El circuito integrado utilizado puede ser reemplazado por un funcionamiento de uso general.





