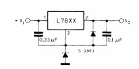
En este circuito la tensión de salida es Vxx sumada a la tensión del zener. El circuito es del manual de circuitos integrados lineales de la SGS y la corriente máxima de salida es de 1 A.

En este circuito la tensión de salida es Vxx sumada a la tensión del zener. El circuito es del manual de circuitos integrados lineales de la SGS y la corriente máxima de salida es de 1 A.
