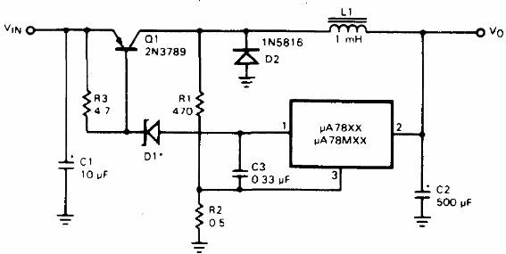
Encontramos este circuito en el Signetics Analog Data Manual, de la Signetics de 1977. El circuito proporciona corrientes en el rango de 100 mA a 1 A con tensiones de 5 a 24 V, conforme el regulador utilizado. El transistor puede ser un TIP32 dotado de radiador. El diodo puede ser el 1N4002. D1 reduce la tensión de entrada a un nivel aceptable por el regulador.




