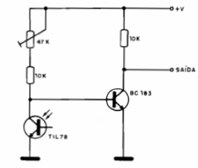
Este circuito está en el manual de Optoelectrónica de Texas Instruments. Muestra cómo agregar un control de corriente para un foto-transistor en un receptor simple para foto-sensor o enlace óptico tanto de datos como de audio. La alimentación se puede hacer con tensiones de 6 a 18 V y un equivalente para el transistor usado es el BC548.




