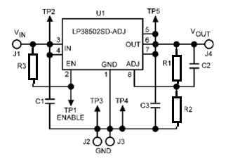
El circuito integrado LP380502SD-ADJ comprende un regulador de tensión de baja caída (LDO) con la salida hasta 1,5 A proporcionado en cubierta LPP-8. Las resistencias R1 y R2 determinan la tensión de salida basado en el circuito de la figura 1. La tensión de entrada puede ser de entre 3 y 5 V a 2,5 V para una salida obtenida:
R1 19.1kohms
R2 6.04 kohms
Le recordamos que National Semiconductor es ahora una compañía del grupo de Texas Instruments.




