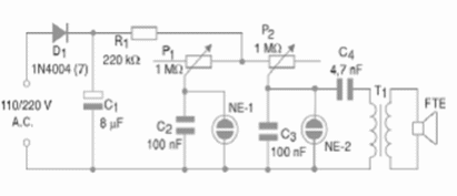
Esta sirena modulada tiene ajuste de frecuencia y modulación en los trimpots. Para 220 V utilice el 1N4007 como diodo. El transformador puede ser del tipo de salida para radios transistorizadas o incluso un transformador de alimentación con secundario de 6 a 12 V con 100 a 300 mA. Asegúrese de que el circuito no está aislado de la red de energía.




