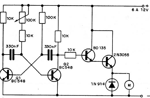
Este circuito se usa para controlar pequeños motores eléctricos de corriente continua. EI control as por pulsos y la banda está determinada por el valor del potenciômetro. Para Corrientes por arriba de 500 mA, hasta 2A, hay que montar el transistor, con disipador de calor.

Control para Motores



