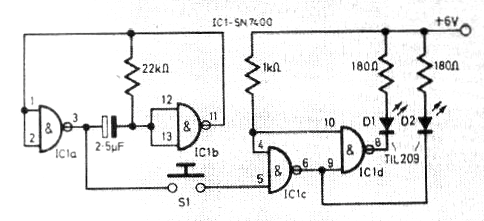
Este circuito salió en una publicación europea de agosto de 1975. La revista ya no existe, pero el circuito se puede montar fácilmente. El circuito integrado es el 7400 y la alimentación debe ser hecha con 5 V. El positivo de la alimentación es en el pin 14 y el negativo en el pin 7. Cuando S1 es presionado los LED parpadean y al ser suelto un solo permanece encendido y es imprevisible saber cuál.




