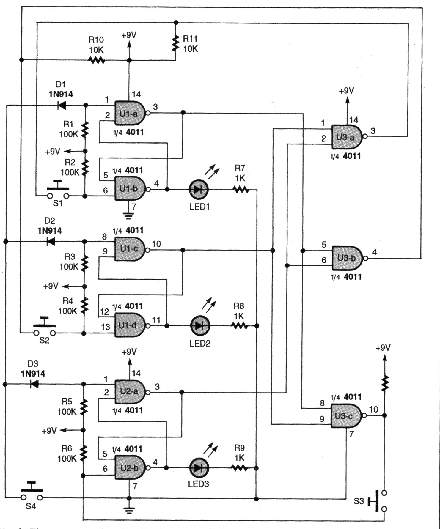
Encontramos este circuito en un Poptronics de 1998. El circuito puede ser ampliado para más competidores con otro 4011. La alimentación puede ser hecha con tensiones de 6 a 12 V.
El siguiente circuito utiliza varios transistores, el primero (Q1) en clase A para amplificar la...
Los buzzers piezoeléctricos presentan un rendimiento mayor con señales de tensión más altas. El...
Al conectar este circuito en paralelo con el altavoz de un sistema de sonido, el LED parpadeará al ritmo...