Presionando S1, se enciende L1. Presionando S2 se enciende L2 y se apaga L1. Las lámparas son de 12V para Corrientes hasta de 500 mA. El capacitor de 2,2 µF debe ser despolarizado.

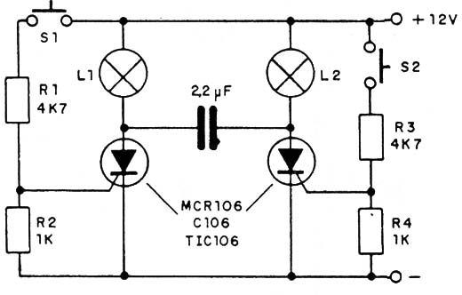
Flip-Flop con SCR
Presionando S1, se enciende L1. Presionando S2 se enciende L2 y se apaga L1. Las lámparas son de 12V para Corrientes hasta de 500 mA. El capacitor de 2,2 µF debe ser despolarizado.
