)
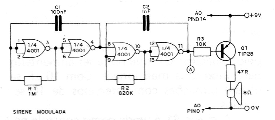
En este circuito tenemos dos osciladores, uno controlando el otro, empleando las 4 puertas NAND del integrado 4001. El primero es el circuito modulador, que opera en torno a 10 Hz (esta frecuencia depende de C1) y el segundo que opera alrededor de 1, kHz (esta frecuencia depende de C2). El primer circuito controla el segundo, de modo que tenemos la modulación de la señal obtenida en el punto (A). Esta señal modulada es amplificado por el transistor Q1, siendo entonces llevado al altavoz. Esta configuración es de baja potencia. Pero si el reproductor desea más volumen en el sonido, puede utilizar también los pasos amplificadores del CIR2219S conectándolos al punto (A).




